Мы используем cookie для наилучшего представления нашего сайта. Подробнее об этом в Политике конфиденциальности.
Ок

Ханты-Мансийск

Ваш город:
Ханты-Мансийск (Ханты-Мансийский автономный округ)?
Нет
Да
Каталог
Каталог Написать в WhatsApp
Мотоэкипировка

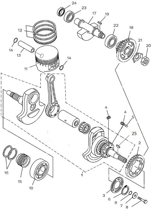
Коленвал, поршень КВАДРОЦИКЛА STELS UTV 500 H

Коленвал, поршень КВАДРОЦИКЛА STELS UTV 500 H в Ханты-Мансийске: актуальный каталог, цены, фото, описание. Купите коленвал, поршень квадроцикла stels utv 500 h в кредит – оформите заявку онлайн за 1 минуту!

Оригинальные запчасти

Артикул НАИМЕНОВАНИЕ Кол-во деталей в узле Примечание Наличие Цена Аналоги Фото
1 LU022880 Коленвал с шатуном в сборе 13200-F18-0000

Под заказ

1

Под заказ

28 880

34 800

Купить
2 LU022881 Шестерня привода балансирного вала 13304-F39-0000

Под заказ

1

Под заказ

5 230

1 060

Купить
3 LU022882 Пластина фиксирующая шестерни привода балансира 13305-F39-0000

Под заказ

1

Под заказ

уточнить

Купить
4 LU022883 Пружина (сжатия) шестерни привода балансирного вала 13302-F39-0000

Под заказ

8

Под заказ

19

30

Купить
5 LU022898 Кольцо стопорное 35x1.5мм, сталь 90701-F39-0000

Под заказ

1

Под заказ

10

20

Купить
6 LU022900 Шайба 10×30×3.2мм, сталь 90618-F12-0000

Под заказ

1

Под заказ

уточнить

Купить
7 LU022899 Кольцо уплотнительное 16.1x3.1мм, резина 91207-F39-0000

Под заказ

1

Под заказ

130

Купить
8 LU017537 Подшипник шариковый радиальный 6307 35х80х21мм 9601-6307

Под заказ

1

Под заказ

4 570

2 220

Купить
9 LU022884 Поршень 13101-F18-0000

Под заказ

1
400CC
400CC

Под заказ

4 331

6 670

Купить
10 LU022888 Кольца поршневые, комплект 13120-F18-0000

Под заказ

1
400CC
400CC

Под заказ

3 470

4 040

Купить
11 LU022885 Палец поршневой 20x58мм, сталь 13111-F18-0000

В наличии

1
400CC
400CC

В наличии

280

710

Купить
12 LU022887 Втулка распорная коленвала двигателя, сталь 13401-F39-0000

Под заказ

1

Под заказ

440

640

Купить
13 LU022890 Вал с балансиром, в сборе 13300-F18-0000

Под заказ

1

Под заказ

3 770

3 760

Купить
14 LU022891 Шестерня балансирного вала 13320-F39-0000

Под заказ

1

Под заказ

8 360

9 840

Купить
15 LU022894 Шпонка балансирного вала 5x12.4мм, сталь 1095-B5-12.4,1095-5-12.4

Под заказ

1

Под заказ

460

80

Купить
16 LU022897 Гайка M18х1.0мм (низкая), сталь 6172.1-18-1,6172.1-18-00

Под заказ

1

Под заказ

250

360

Купить
17 LU022892 Шайба стопорная шестерни балансирного вала, сталь 13321-F39-0000

Под заказ

1

Под заказ

40

70

Купить
18 LU014666 Подшипник шариковый радиальный 6305 25х62х17мм 9601-6305

Под заказ

1
GB/T276-1994
GB/T276-1994

Под заказ

3 460

1 380

Купить
19 LU018290 Подшипник шариковый радиальный 6304 20х52х15мм 9601-6304

В наличии

1
GB/T276-1994
GB/T276-1994

В наличии

2 020

1 900

Купить
20 LU022895 Сальник 20х30х7мм 9471-200-300-070

Под заказ

1
GB/T 9877
GB/T 9877

Под заказ

580

800

Купить
21 LU022893 Шпонка коленвала 8х13мм, сталь 13201-F39-0000

Под заказ

1

Под заказ

50

60

Купить

Нулевая цена не означает отсутствие товара. Оформите заказ, и менеджер сообщит вам цену и наличие товара, предварительно запросив их у поставщика

Главная Магазины
Корзина0
Профиль